Каталог запасных частей к технике: МТЗ-826. Управлением редуктором, ускорителем

80-1723010-Б
1
1
2
2
3
4
5
6
7
8
9
10
10
11
12
13
14
15
15
16
17
18
19
19
20
21
22
23
24
24
25
26
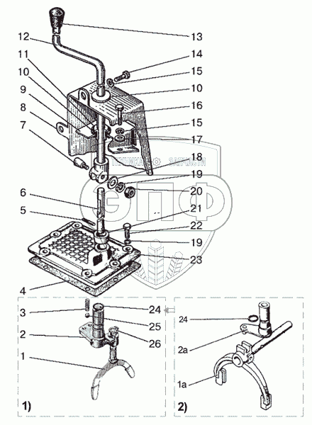
Позиция на иллюстрации | Заводской номер детали | Название детали | Цена | |
---|---|---|---|---|
74-1723030 | 74-1723030 | Крышка редуктора | Нет на складе | |
80-1723065 | 80-1723065 | Рычаг | Нет на складе | |
74-1723140 | 74-1723140 | Рычаг | Нет на складе | |
80-1723010-Б | 80-1723010-Б | Управление редуктором | Нет на складе | |
1 | 80-1723021 | Вилка переключения | 245.70 руб. - 987 руб. | |
1 | 74-1723020-Б | Вилка в сборе | Нет на складе | |
2 | 70-1723020 | Ось с рычагом | 189.40 руб. - 669.15 руб. | |
3 | 50-1702148-А | Пружина фиксатора | 33.35 руб. | |
4 | 50-1601347 | Прокладка | Нет на складе | |
5 | 70-1723012 | Штифт 6х36.88.016 | 58.97 руб. | |
6 | 70-1723024 | Стержень | 308.88 руб. | |
7 | 70-1723063 | Клин | Нет на складе | |
8 | 80-6700370 | Кожух | Нет на складе | |
9 | 80-6702291 | Накладка | Нет на складе | |
10 | 70-3723024 | Втулка | Нет на складе | |
11 | 70-4605308-Б | Втулка | Нет на складе | |
12 | 80-1723060 | Рычаг | Нет на складе | |
13 | А61-01-014 | Рукоятка | Нет на складе | |
14 | M6-6gx20.88.35.019 | Болт | Нет на складе | |
15 | 6Т | Шайба | Нет на складе | |
16 | М6-6gx14.88.35.019 | Болт | Нет на складе | |
17 | С6.01.019 | Шайба | Нет на складе | |
18 | С 10.01.019 | Шайба | Нет на складе | |
19 | 10 ОТ | Шайба | Нет на складе | |
20 | М10-6Н.6.019 | Гайка | Нет на складе | |
21 | 70-1723032 | Втулка | Нет на складе | |
22 | М10-6gx30.88.35.019 | Болт | Нет на складе | |
23 | 70-1723015 | Крышка | Нет на складе | |
24 | 025-030-30-2-2 | Кольцо | Нет на складе | |
25 | 10,0-60 | Шарик ГОСТ 3722-81 | Нет на складе | |
26 | С16 | Шайба | Нет на складе |
Содержащиеся в справочниках-каталогах запасные части и детали не предлагаются к продаже, а носят исключительно информационный характер