Каталог запасных частей к технике: МТЗ-826. Управление гидроподъемником

1
2
3
4
5
6
6
7
7
8
8
8
9
9
9
9
10
10
10
10
11
11
12
12
13
14
15
16
16
16
16
17
18
19
19
20
20
20
21
21
21
22
23
24
24
25
26
27
28
29
30
31
31
32
33
34
35
36
37
38
39
40
41
42
43
44
45
46
47
47
48
49
50
51
52
52
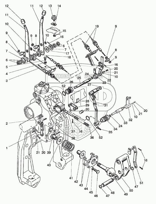
Позиция на иллюстрации | Заводской номер детали | Название детали | Цена | |
---|---|---|---|---|
820-4635020А | 820-4635020А | Датчик силовой | Нет на складе | |
820-4635090-Б | 820-4635090-Б | Кронштейн | Нет на складе | |
1 | 820-4635025 | Звено | Нет на складе | |
2 | 3,2x25.019 | Шплинт | Нет на складе | |
3 | 820-4635095-Б | Кронштейн | Нет на складе | |
4 | 8Т | Шайба | Нет на складе | |
5 | M8-6gx20.88.35.019 | Болт | Нет на складе | |
6 | М14x1,5-61-1.6.019 | Гайка | Нет на складе | |
7 | 80В-1108347 | Пружина тарельчатая | Нет на складе | |
8 | 80В-1108317 | Бонка | Нет на складе | |
9 | М6-6Н.6.019 | Гайка | Нет на складе | |
10 | С 6.01.019 | Шайба | Нет на складе | |
11 | 820-4635100-Б | Рычаг позиционный | Нет на складе | |
12 | А13.11.000 | Рукоятка | Нет на складе | |
13 | 80-4616070 | Винт | Нет на складе | |
14 | 820-4635082 | Упор | Нет на складе | |
15 | М6-6Н.019 | Гайка | Нет на складе | |
16 | 3,2x18.019 | Шплинт | Нет на складе | |
17 | 80-1108028 | Шайба | Нет на складе | |
18 | 80-1108178 | Шайба фрикционная | Нет на складе | |
19 | Morse 900 | Трос | Нет на складе | |
19 | 23.588.1.1.2.00.01-01 | Трос | Нет на складе | |
20 | М6-6gx16.88.35.019 | Болт | Нет на складе | |
21 | 6Т | Шайба | Нет на складе | |
22 | 820-4635080 | Рычаг | Нет на складе | |
23 | 820-4635075 | Рычаг | Нет на складе | |
24 | 011-015-25-2-4 | Кольцо | Нет на складе | |
25 | 820-4635034 | Валик | Нет на складе | |
26 | 820-4635033-Б | Втулка | Нет на складе | |
27 | 019-023-25-2-4 | Кольцо | Нет на складе | |
28 | 820-4635046 | Скоба | Нет на складе | |
29 | 820-4635070 | Рычаг | Нет на складе | |
30 | 820-4635069 | Фиксатор | Нет на складе | |
31 | 820-4635060 | Звено суммирующее | Нет на складе | |
31 | 820-4635030 | Звено | Нет на складе | |
32 | 820-4635015-Б | Рычаг | 1 688.60 руб. | |
33 | 820-4635016-В | Валик | Нет на складе | |
34 | 820-4635032-Б | Втулка | Нет на складе | |
35 | 820-4635049 | Шплинт | Нет на складе | |
36 | 820-4635063 | Пружина | Нет на складе | |
37 | 820-4635065 | Кронштейн | Нет на складе | |
38 | 4x22.019 | Шплинт | Нет на складе | |
39 | 820-4635024 | Гайка | Нет на складе | |
40 | 820-4635023 | Шайба | 121.48 руб. | |
41 | 820-4635022 | Пружина | 435.89 руб. | |
42 | 820-4635026-Б | Втулка | Нет на складе | |
43 | 820-4635044-Б | Прокладка | Нет на складе | |
44 | 820-4635043-Б | Крышка | Нет на складе | |
45 | 12 ОТ | Шайба | Нет на складе | |
46 | М12-6gx30.88.35.019 | Болт | Нет на складе | |
47 | С22 | Кольцо | Нет на складе | |
48 | 820-4635018 | Палец | Нет на складе | |
49 | 820-4635021 | Шток | 3 723.73 руб. | |
50 | 820-4635019 | Серьга | 3 664.44 руб. | |
51 | 820-4635048 | Тяга | Нет на складе | |
52 | 027-032-30-1-4 | Кольцо | Нет на складе |
Содержащиеся в справочниках-каталогах запасные части и детали не предлагаются к продаже, а носят исключительно информационный характер