Каталог запасных частей к технике: МТЗ 892. Устройство прицепное. Наладка «крюк»

1
1
1
2
2
3
4
4
4
5
5
6
7
8
9
10
11
12
13
14
15
16
17
18
19
19
20
21
22
23
24
25
26
27
28
28
29
30
31
32
33
34
34
34
35
36
37
38
39
40
41
42
43
44
45
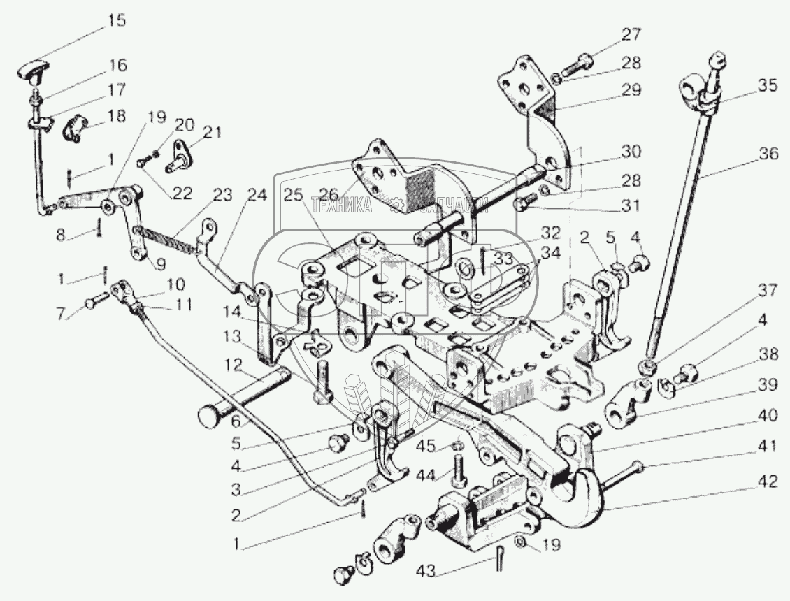
Позиция на иллюстрации | Заводской номер детали | Название детали | Цена | |
---|---|---|---|---|
80-2707110-А1-03 | 80-2707110-А1-03 | Устройство прицепное | Нет на складе | |
80-2707110-А1-02 | 80-2707110-А1-02 | Устройство прицепное | Нет на складе | |
1 | Шплинт3,2х18.019 | Шплинт | Нет на складе | |
2 | 80-2807077 | Захват | Нет на складе | |
3 | 80-2707118 | Болт | Нет на складе | |
4 | 80-2707137 | Болт | Нет на складе | |
5 | 80-2707153 | Шайба | Нет на складе | |
6 | 80-2707133-Б | Тяга | Нет на складе | |
7 | Палец12х32 | Палец | Нет на складе | |
8 | Шплинт3,2х25.019 | Шплинт | Нет на складе | |
9 | 70-2807079 | Рычаг | Нет на складе | |
10 | 50-3502203 | Вилка | 240.08 руб. | |
11 | М12х1,25-6Н.04.019 | Гайка | Нет на складе | |
12 | 80-4619019 | Палец | 776.28 руб. | |
13 | 40-3104021 | Болт | 316.54 руб. | |
14 | 70-2807044 | Шайба | Нет на складе | |
15 | 50-1310136-А | Рукоятка | Нет на складе | |
16 | М8-6Н.6.019 | Гайка | Нет на складе | |
17 | 80-2807180-Б | Рукоятка | Нет на складе | |
18 | 85-2807092 | Кронштейн | Нет на складе | |
19 | С16.01.019 | Шайба | Нет на складе | |
20 | 10.ОТ | Шайба | Нет на складе | |
21 | 70-1602120-Б | Фланец оси | Нет на складе | |
22 | М10-6gx20.88.35.019 | Болт | Нет на складе | |
23 | 50-1605152 | Пружина | 182 руб. | |
24 | 70-2807081 | Кронштейн | Нет на складе | |
25 | 80-2707120-Б1 | Кронштейн | Нет на складе | |
26 | 80-2707116 | Боковина | Нет на складе | |
27 | М16-6gx50.88.35.019 | Болт | Нет на складе | |
28 | 16.ОТ | Шайба | Нет на складе | |
29 | 80-2707116-01 | Боковина | Нет на складе | |
30 | 80-2707141 | Ось | Нет на складе | |
31 | М16-6gx32.88.35.019 | Болт | Нет на складе | |
32 | Шплинт6,3х36.019 | Шплинт | Нет на складе | |
33 | 70-4619042 | Шайба | Нет на складе | |
34 | 70-2807039-02 | Пластина 0,2 мм | Нет на складе | |
34 | 70-2807039-01 | Пластина 0,5 мм | Нет на складе | |
34 | 70-2807039 | Пластина 1,0 мм | Нет на складе | |
35 | 70-2807051 | Серьга | Нет на складе | |
36 | 70-2807052-Б | Винт тяги | Нет на складе | |
37 | 40-3405062 | Гайка | Нет на складе | |
38 | 80-2707138 | Шайба | Нет на складе | |
39 | 70-2807053-Б | Гайка тяги | Нет на складе | |
40 | 80-2707130-Б | Поперечина | Нет на складе | |
41 | 80-2707123 | Ось | Нет на складе | |
42 | 80-2707111-Б | Крюк | Нет на складе | |
43 | Шплинт5х36.019 | Шплинт | Нет на складе | |
44 | 80-2807026-01 | Болт | Нет на складе | |
45 | 18.ОТ | Шайба | Нет на складе |
Содержащиеся в справочниках-каталогах запасные части и детали не предлагаются к продаже, а носят исключительно информационный характер