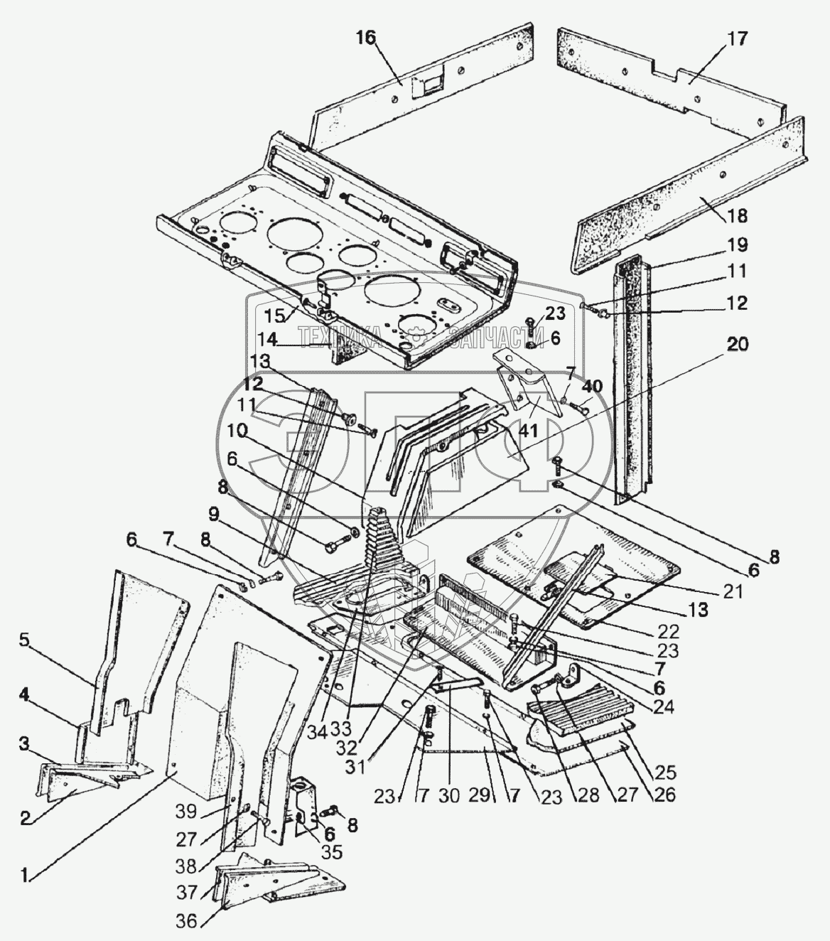
Каталог запасных частей к технике: МТЗ 892. Пол кабины

1
2
3
4
5
6
6
6
6
6
6
7
7
7
7
7
8
8
8
8
9
10
11
11
12
12
13
13
14
15
16
17
18
19
20
21
22
23
23
23
23
24
25
26
27
27
28
29
30
30
31
32
33
34
35
36
37
38
39
40
41
Позиция на иллюстрации | Заводской номер детали | Название детали | Цена | |
---|---|---|---|---|
1 | 80-6700300 | Панель | 10 379.60 руб. | |
2 | 80-6702330 | Боковина | 1 517.29 руб. | |
3 | 80-6702328-01 | Накладка | 522.20 руб. | |
4 | 80-6700330 | Панель | Нет на складе | |
5 | 80-6700340 | Панель | Нет на складе | |
6 | С6.01.019 | Шайба | Нет на складе | |
7 | Шайба6Т | Шайба | Нет на складе | |
8 | М8-6gx25.88.35.019 | Болт | Нет на складе | |
9 | 6702.337 | Коврик | Нет на складе | |
10 | 85-6700036-Б | Коврик левый | Нет на складе | |
11 | 1-4х25.019 | Шуруп | Нет на складе | |
12 | А37.10.031 | Бонка | Нет на складе | |
13 | 80-6702111 | Прижим | Нет на складе | |
14 | 1221Д-6700050 | Установка накладки | Нет на складе | |
15 | 80-8100100 | Панель | Нет на складе | |
16 | 1221-6700065 | Накладка | Нет на складе | |
17 | 80-6700205 | Накладка | Нет на складе | |
18 | 1221-6700050 | Накладка | Нет на складе | |
19 | 1221-6700060 | Накладка | Нет на складе | |
20 | 85-6700040-Б | Пульт | Нет на складе | |
21 | 80-6702190-Б | Крышка | Нет на складе | |
22 | 85-6702390-Б | Крышка | Нет на складе | |
23 | М6-6gx16.88.35.019 | Болт | Нет на складе | |
24 | 70-6702111 | Угольник | Нет на складе | |
25 | 80-6702468-А | Прокладка | Нет на складе | |
26 | 80-6702315-Б | Панель | Нет на складе | |
27 | С6.01.019 | Шайба | Нет на складе | |
28 | М8-6gx16.88.35.019 | Болт | Нет на складе | |
29 | 80-6702310 | Полик | 5 100.48 руб. | |
30 | 80-6702348 | Прижим левый | Нет на складе | |
30 | 80-6702348-01 | Прижим правый | Нет на складе | |
31 | В.М6-6gx12.58.019 | Винт | Нет на складе | |
32 | 80-6702085 | Крышка | 972.51 руб. | |
33 | 80-6702243-А | Чехол | Нет на складе | |
34 | 80-6702820 | Накладка (для тракторов с ПВМ) | 565.42 руб. | |
35 | 80-6700370-Б | Кожух | Нет на складе | |
36 | 80-6702328 | Накладка | Нет на складе | |
37 | 80-6702320 | Боковина | 1 350.65 руб. | |
38 | М8-6gx40.88.35.019 | Болт | Нет на складе | |
39 | 80-6700320 | Панель | 11 196.50 руб. | |
40 | М6-6gx20.88.35.019 | Болт | Нет на складе | |
41 | 80-6700085 | Кронштейн | Нет на складе |
Содержащиеся в справочниках-каталогах запасные части и детали не предлагаются к продаже, а носят исключительно информационный характер